核污水特點
核污水一般是由核電廠發電后生成的,核電分為利用原子核裂變生產蒸汽的核島和利用蒸汽發電的常規島兩部分,使用的燃料一般是鈾和懷。核電廠主要反應堆類型包括壓水堆、沸水堆、重水堆、石墨水冷堆、石墨氣冷堆、高溫氣冷堆和快中子增殖堆。核電廠在運行過程中會產生的大量的各類廢水,這些廢水體積、放射性濃度和鹽含量都遠遠高于一般的工業污水,直接排放到海洋或者和河流中會對周遭環境造成嚴重破壞。

核污水處理哪些環節要使用到單袋過濾器
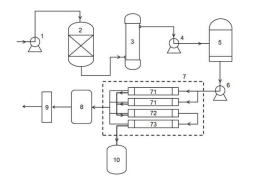
某核電站污水處理工藝流程圖

核電廠污水處理是一道精密而復雜的程序,每個環節都至關重要。核污水處理要使用到精密過濾器、單袋過濾器、活性炭過濾器、ro膜處理系統、空氣過濾器、離子交換樹脂等。
單袋過濾器主要用于前端除泥、管道去除垢或鈣化物、原水的濾清過濾以及對污水中難溶解的大顆?;衔镞M行過濾。
單袋過濾器還用于水處理的化學物質過濾、冷水塔裝置除塵、RO膜的前置保護、阻攔絮狀物、膠狀物。核電高溫鍋爐用水的粗過濾環節。
單袋過濾器在核污水處理方面的優勢
核污水中化學物質交到,各種腐蝕性,酸堿度較高的物質混合在一起,PH值范圍廣。單袋過濾器中的PP濾袋,化學相容性廣、能耐受PH值1-14、流通量大、壓差低、使用壽命長,能經受大部分化學物質侵蝕。PP濾袋過濾層、支撐層均 采用無脫落型聚丙纖維濾材??捎糜诤宋鬯袠I的澄清、除菌過濾, 精細化溶媒的精制過濾。
單袋過濾器濾袋熱熔采用先進的熱熔接合技術,使每一個濾袋出廠時保持最好的接合強度,杜絕泄漏。過濾袋縫制極為嚴謹,牢固耐用,純凈的車縫線不含任何硅油等潤滑劑成份,避免二次污染情況的發生。
單袋過濾器產水量大,水質穩定,濾袋口徑可按客戶要求進行先關參數的定制,如大小,長短,形狀等。能最大限度的滿足核污水處理水量需求。
過濾時污水處理中的一個關鍵環節,單袋過濾器在液體過濾方面也會發揮了重要作用,核污水在經過層層沉淀、過濾、殺菌處理后,最終達到國家《核電廠放射性液態流出物排放技術要求》(GB 14587)合格標準,對外進行排放。
本文由水天藍環保(http://www.jjcds.cn/)原創首發,轉載請以鏈接形式標明本文地址或注明文章出處!



客服1